云开手机网·(中国)官方版在线

每天生物

云开手机网·(中国)官方版在线Company News

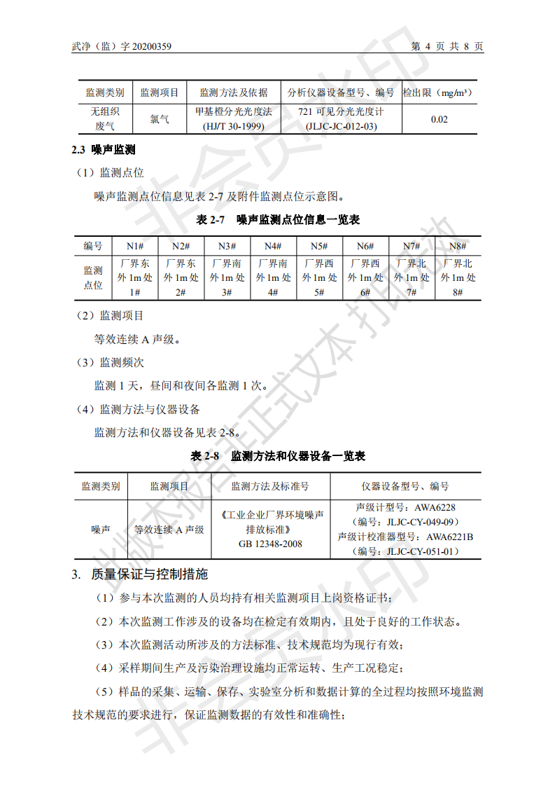
云开手机网·(中国)官方版在线 2020年第二季度废水、废气、噪音监测报告

POST TIME:2020-05-20 16:43:39

联系电话:027-87214043 售后:027-87214043传真:0713-6392241 邮编号码:435400 联系地址:中国湖北省武穴市田镇马口工业园区